北京華光科達科技有限公司
聯系人:丁經理
手機:18611715668
E-mail:bjhgkd@163.com
地址:北京市通州區北苑155號
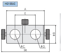
HG100UC 系列萬向桿架
發布時間:2012-05-31 06:40:37 人氣:1405 來源:本站

主要特征:
● 可將兩根接桿按所需角度組合;
● 兩接桿可 360°內任意轉動,并隨時鎖定。
技術參數:
(C,D為能聯接的標準SP接桿直徑)
技術指標:
| 型號 | A | B | C | D | E | 自重(kg) |
| HG101UC | 60 | 30 | 12 | 12 | 33 | 0.15 |
| HG102UC | 77 | 36 | 20 | 12 | 44 | 0.2 |
| HG103UC | 77 | 36 | 20 | 20 | 41 | 0.2 |
上一篇:HG103CPA 型交叉桿架
下一篇:HG111UC 系列萬向桿架
相關新聞
- 電動位移臺的構成和工作形式 2022-09-09
- 使用手動平移臺的相關注意事項是什么 2022-09-09
- 電控位移臺的特點是什么? 2022-09-09
- 高精度電動位移臺是從什么時候走入到消費者視線 2022-09-09
- 交叉導軌的潤滑使用事項 2022-09-09
- 手動位移臺在工作中的三大特點 2022-09-09
- 怎樣保證電動位移的良好使用功能 2022-09-09
- 旋轉臺的6大特點,值得關注! 2022-09-09
- 手動位移臺的使用特點 2022-09-09
- 升降臺的工業應用及其如何保養維護 2022-09-09


客服