北京華光科達科技有限公司
聯系人:丁經理
手機:18611715668
E-mail:bjhgkd@163.com
地址:北京市通州區北苑155號
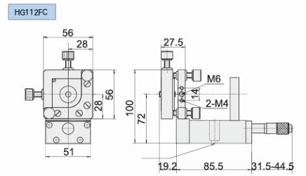
HG112FC 型精密光纖耦合器
發布時間:2012-05-25 09:49:00 人氣:1298 來源:本站

主要特征:
● HG112FC 型精密光纖耦合器與顯微物鏡座一體化,便于光束與光纖耦合;
● 底板安裝孔易與其它調整架連接;
● FC/SMA905標準接口。
技術指標:
|
物鏡調教范圍(mm)
|
Tx
|
13
|
|
平移調整范圍(mm)
|
Tx
|
±2
|
|
Tz
|
±2
|
|
|
傾斜調整范圍
|
θy
|
±4°
|
|
θz
|
±4°
|
|
|
自重(kg)
|
0.4
|
|

上一篇:HG111FC 型精密光纖耦合器
下一篇:HG113FC 型精密光纖耦合器
相關新聞
- 電動位移臺的構成和工作形式 2022-09-09
- 使用手動平移臺的相關注意事項是什么 2022-09-09
- 電控位移臺的特點是什么? 2022-09-09
- 高精度電動位移臺是從什么時候走入到消費者視線 2022-09-09
- 交叉導軌的潤滑使用事項 2022-09-09
- 手動位移臺在工作中的三大特點 2022-09-09
- 怎樣保證電動位移的良好使用功能 2022-09-09
- 旋轉臺的6大特點,值得關注! 2022-09-09
- 手動位移臺的使用特點 2022-09-09
- 升降臺的工業應用及其如何保養維護 2022-09-09


客服